Projektowanie Płytek Pcb Program

Projektowanie Plytek Pcb W Eagle 6 4 0 Youtube

Projektowanie Plytek Pcb W Eagle 6 4 0 Youtube

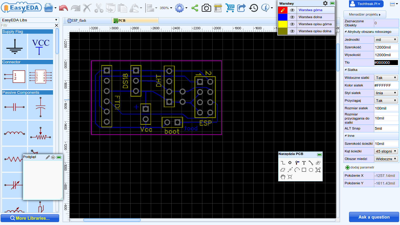
Easyeda Program Do Projektowania Pcb Techfreak Blog

Easyeda Program Do Projektowania Pcb Techfreak Blog

Downloads

Downloads

Electronic Circuit Design 2016

Electronic Circuit Design 2016

Eagle 9 1 3 Download Pobierz Za Darmo

Eagle 9 1 3 Download Pobierz Za Darmo

Tech Blog Circuits Io Bezplatny Edytor On Line Schematow I

Tech Blog Circuits Io Bezplatny Edytor On Line Schematow I

Tech Blog Circuits Io Bezplatny Edytor On Line Schematow I

Easyeda fo darmowy i prosty w obsłudze program do projektowania i symulowania obwodów elektronicznych oraz projektowania płytek drukowanych pracujący w twojej przeglądarce internetowej.

Projektowanie płytek pcb program. Dzięki kombinacji najlepszych technologii w projektowaniu płytek pcb łatwego w obsłudze interfejsu i połączeniu ze środowiskiem cad solidworks wspomniane rozwiązanie pozwala jego użytkownikom na szybkie i łatwe projektowanie płytek pcb które stanowią jedynie część całego procesu projektowania produktu. W internecie krążą oczywiście miriady poradników na temat wykonywania płytek tą metodą jednak w żadnym z nich nie było podanych informacji na temat tego jak zaprojektować taką płytkę na komputerze i jak gotowy już projekt wydrukować. Eagle składa się z trzech modułów. Eagle to program do projektowania i optymalizowania płytek pcb.

Turbopcb jest klasycznym programem do projektowania pcb który daje możliwość realizacji wszystkich etapów tworzenia projektu takich jak. To prosty w obsłudze kreator schematów symulator układów oraz konstruktor płytek drukowanych który pracuje. Edytor schematów pozwala wstępnie narysować logikę układu i sprawdzić jego spójność. Moja firma nie produkuje płytek ale uważam że trzeba informować klientów o kosztach produkcji płytek pcb.

Odkryj program do projektowania płytek drukowanych opracowany przez altium. Szykuję się do zrobienia pierwszej płytki pcb metodą termotransferu. Tworzenie bibliotek rysowanie schematów projektowanie płytek pcb. Aplikacja posiada możliwość tworzenia o różnych wymiarach oraz wielowarstwowych obwód drukowanych.

Eagle został wyposażony w niezbędne narzędzia oraz rozbudowany przybornik dzięki którym w prosty i szybki sposób przygotujemy schematy logiczne płytek pcb. Projektowanie układów pcb przesuwanie ścieżek w grupie. Program altium designer 20 zmienił mój sposób projektowania układów pcb właśnie skończyłem pierwszy projekt pcb w programie altium designer 20. Eagle to dobrze znany i ceniony program do projektowania i optymalizacji płytek pcb o różnych wymiarach także wielowarstwowych.

Mikrokontrolery Jak Zaczac Zbior Najczesciej Udzielanych Porad

Mikrokontrolery Jak Zaczac Zbior Najczesciej Udzielanych Porad

Solidworks Pcb Program Do Projektowania Plytek Pcb

Solidworks Pcb Program Do Projektowania Plytek Pcb

Dev Jarzebski Linux Dla Elektronika W Czym Projektowac

Dev Jarzebski Linux Dla Elektronika W Czym Projektowac

Oprogramowanie Do Edycji Schematow I Plytek Drukowanych 9

Oprogramowanie Do Edycji Schematow I Plytek Drukowanych 9

Projektowanie Pcb Jak Dobrze Wybrac Oprogramowanie Elektronika B2b

Projektowanie Pcb Jak Dobrze Wybrac Oprogramowanie Elektronika B2b

Projektowanie Pcb Jaki Najlepszy Darmowy Program

Projektowanie Pcb Jaki Najlepszy Darmowy Program

Source : pinterest.com